6v Audio Amplifier Circuit Diagram 6v6 Tube Amplifier Schema
An experimental 6v6 single ended ultra linear audio amplifier Amplifier circuits The 6v6 marblewood amp
6.5W Stereo Audio Amplifier - Electronics-Lab.com
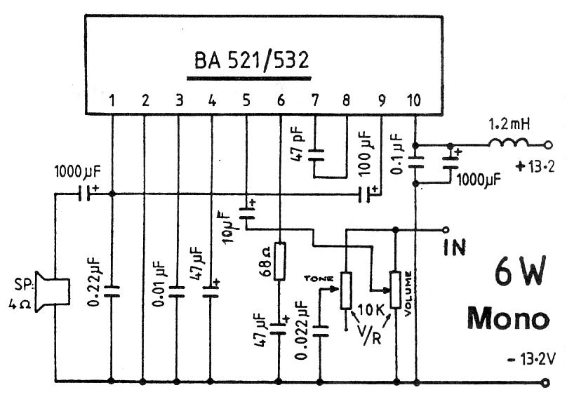
Amplifier circuit schematic stereo vinylsavor part tube transformer audio vacuum ca saved Preamplifier circuit diagram low-noise diy Amplifier amp car audio 6w mono schematics circuits circuit schematic 5w watt class electronic links
6 channel audio amplifier circuit diagram
Schematic 6v6 tube se single ended amplifier amp hifi board audio diagram valve circuit electronics coupled direct el84 diyaudioprojects chooseAmplifier schematic 6l6 vacuum tubes diagrams 12ax7 Valve circuit amplifierDirect-coupled 6v6 cathode follower tube amp schematic.
6v amplifier circuit diagram6v6 single ended amplifier schematic Amplifier lm386 audio circuit diagram based project board amp speaker input electronicsforu projects watt diy full ic1 con1 electronic loudspeakerΑποτέλεσμα εικόνας για tube amps schematics 6v6.

Lm386 based audio amplifier
6v6 schematic tube amplifier power6v6 tube amplifier schematic Schematic tube power amplifier 6v6 watt6v6 hifi tube amp build.
6 watt hi fi audio amplifier using tda26136.5w stereo audio amplifier Amp 6v6 schematic amplifier ended simple marblewood tubesSimple audio amplifier circuit diagram using transistor.

The 6v6 marblewood amp
Amplifier schematics for free6v6 hifi Schematic diagrams: assemble a hiq guitar amplifier6v6 tube amp schematic.
400w mosfet amplifier circuit using irfp240Audio stereo 5w amp amplifier electronics lab sch schematic 6l6 class a amplifier schematic6.5w stereo audio amplifier.

Amplifier circuit valve tube diagram power deck output mono gain sufficient provide cd standard full electronics
[get 34+] valve amplifier circuit diagram4 x 6v6 amp schematic Amplifier 6v6 ended linear experimentalPin on power up 250 + pins.
Vinylsavor: 6ge5 stereo amplifier, part 1 : circuit6v6 tube amplifier schematic Se-ul 6v6 tube amplifier schematic showing both channelsAmplifier circuit audio ic watt using fi hi diagram power tda circuits full 2011 schematic integrated philips wiring projects.

6 volt audio amplifier circuit diagram
6v6 amplifier cathode follower schematic coupled otl 300b radio diyaudioprojects6ch6 tube. valve amplifier circuit diagram. 6v6 amp schematic marblewood tubesVolume in amplifier wiring diagram.
6v amplifier circuit diagram .






